菜单按钮条纹
菜单按钮条纹
菜单按钮条纹
首页
关于我们
重庆市化研院材料科技有限公司
重庆市化研院材料科技有限公司成立于2016年5月,是raybet下赌注 全资子公司。
关于我们
公司概况
资质荣誉
组织机构
新闻动态
信息公开
重庆市化研院材料科技有限公司
重庆市化研院材料科技有限公司成立于2016年5月,是raybet下赌注 全资子公司。
信息公开
公示公告
环保信息
其他信息
中试转化
重庆市化研院材料科技有限公司
重庆市化研院材料科技有限公司成立于2016年5月,是raybet下赌注 全资子公司。
中试转化
产品中试放大
返回主站
首页
关于我们
公司概况
资质荣誉
组织机构
新闻动态
信息公开
公示公告
环保信息
其他信息
中试转化
产品中试放大
返回主站
公示公告
环保信息
其他信息
当前位置:
首页
>
信息公开
>
公示公告
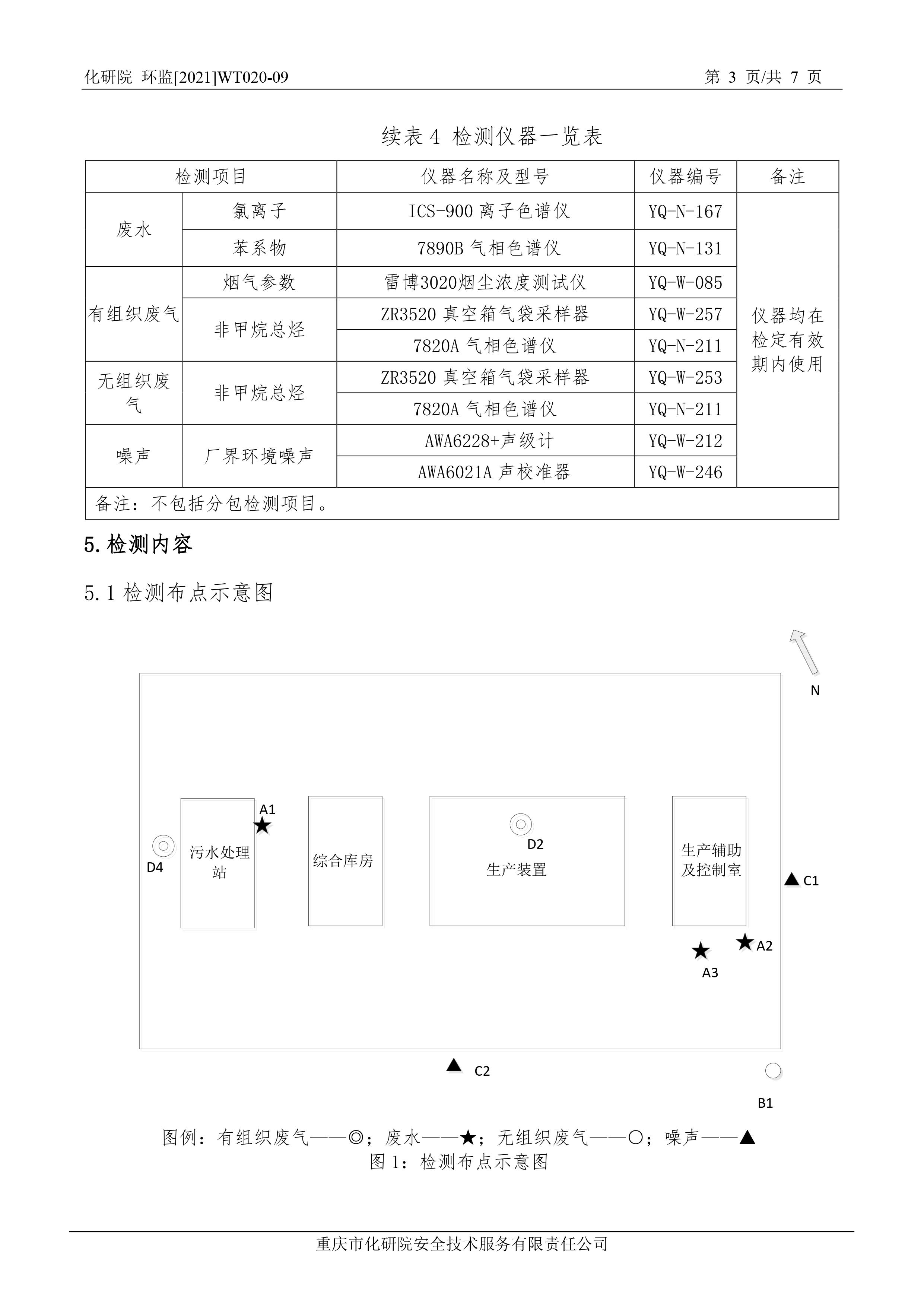
环监[2021]WT020-09 报告
发布人:材料科技
发布日期:2022/2/21
来源:本站
浏览:次
最新动态
重庆市化研院安全技术服务有限责任公司 版权所有
渝ICP备11004958号-1
渝公网安备50010502002133号
技术支持:讯迈科技
map